首页
关于我们
公司概况
企业文化
发展历程
企业荣誉
公司架构
核心产品
全自动玻璃盖板印刷系
全自动烘烤炉系列
3D玻璃全制程系列
其他
新闻中心
公司动态
行业资讯
视频中心
投资者关系
实时行情
公告
信息披露
招贤纳士
员工福利
招贤纳士
投送简历
米兰(中国)
EN
/
中文
语言
导航
EN
中文
首页
关于我们
公司概况
企业文化
发展历程
企业荣誉
公司架构
核心产品
全自动玻璃盖板印刷系
全自动烘烤炉系列
3D玻璃全制程系列
其他
新闻中心
公司动态
行业资讯
视频中心
投资者关系
实时行情
公告
信息披露
招贤纳士
员工福利
招贤纳士
投送简历
米兰(中国)
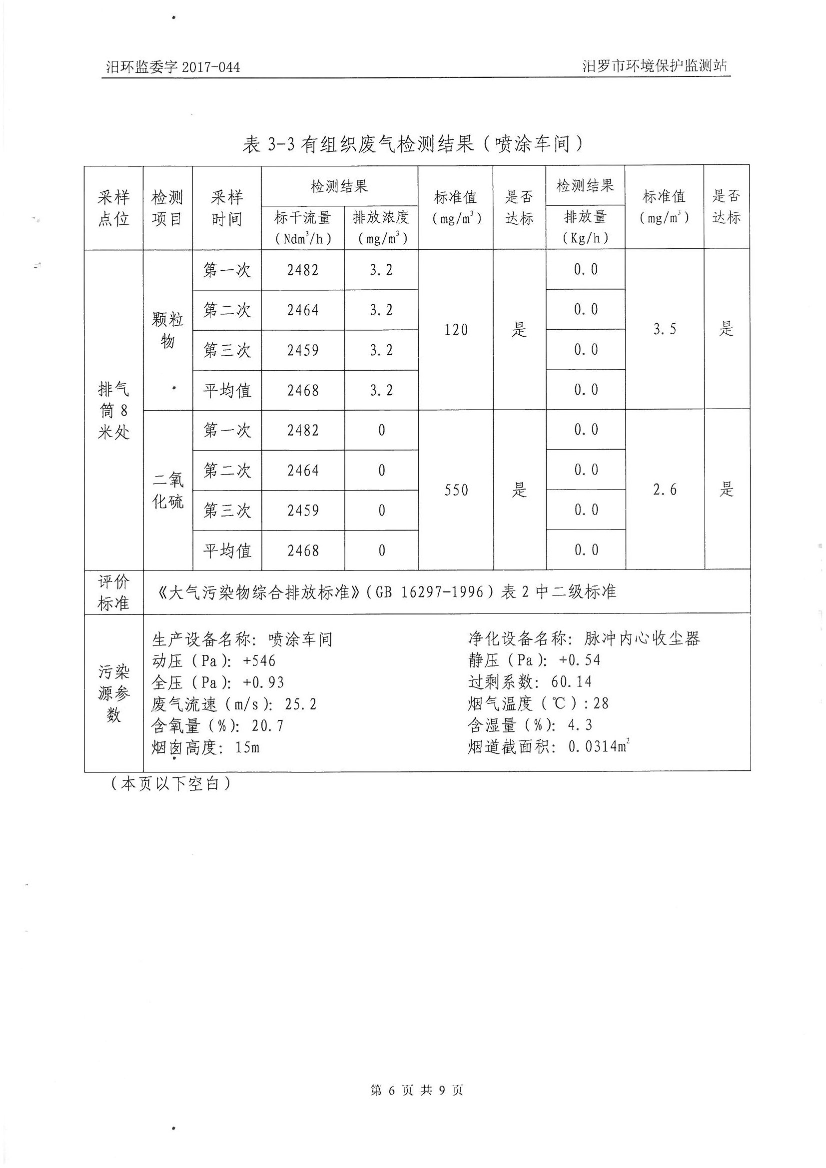
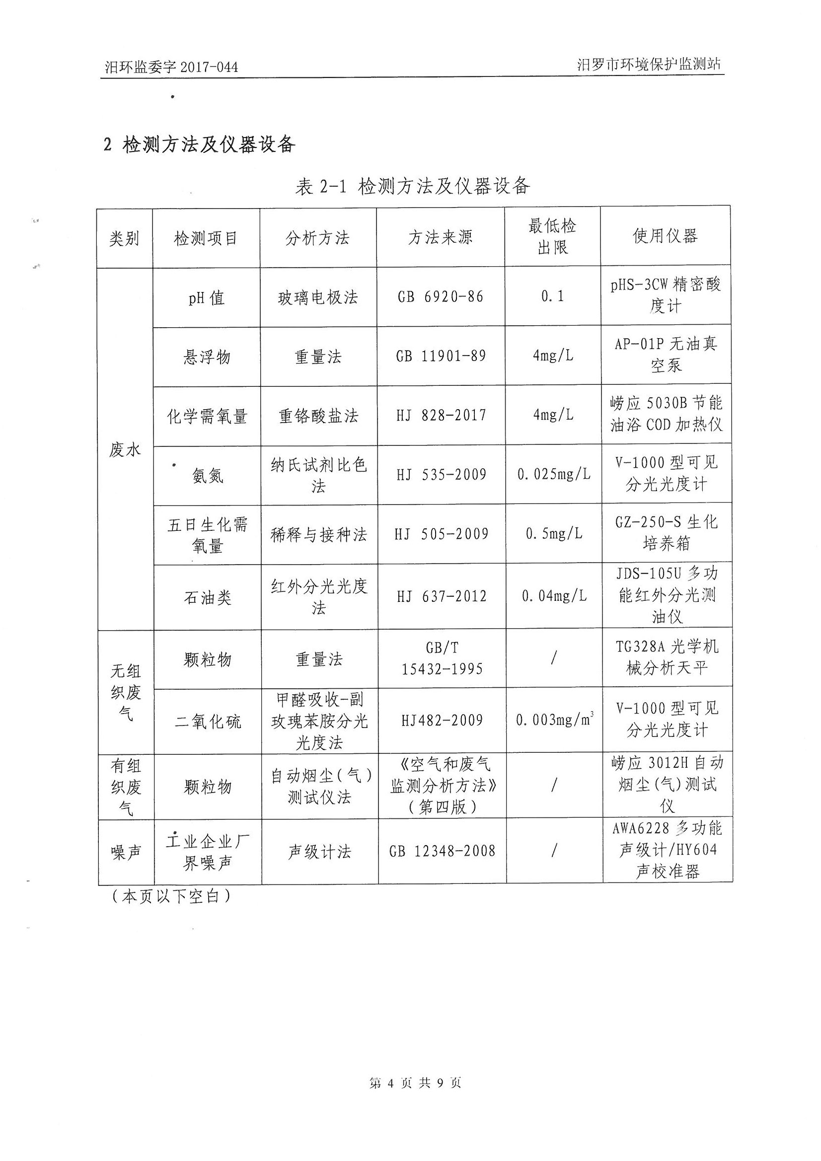
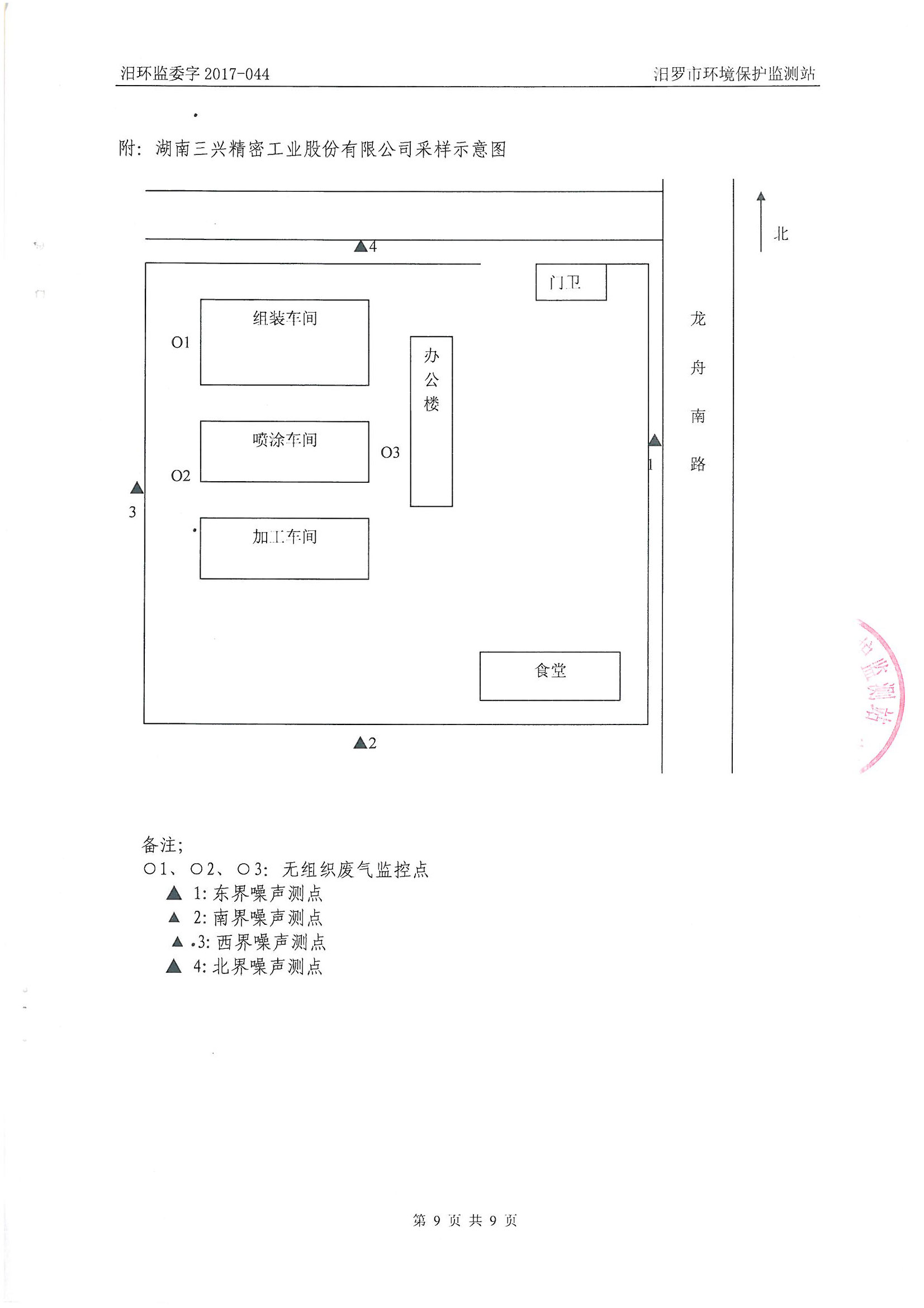
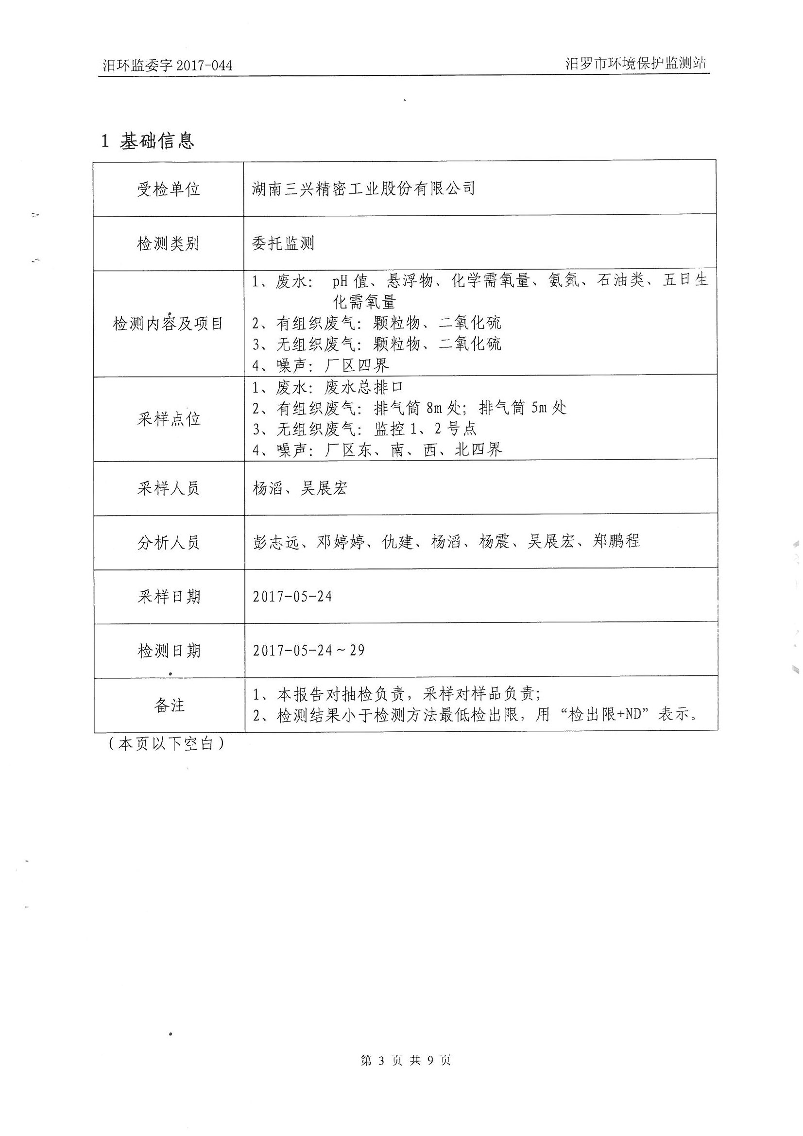
MLTY.COM环保监测报告
所属分类:
公司动态
发布时间:
2017-08-22
分享到:
Copyright © 2014-2016 MLTY.COM 版权所有 湘ICP备17016185号 执照认证链接
关闭
华体会平台
|
平博最新官方
|
LEJING乐竞体育(中国区)官方网站
|
星空综合|官网首页
|
新半岛官方网站_半岛(中国)
|
三亿在线
|
平博网页版
|
完美体育·(中国)官方网站
|
华体会手机网页版登录入口
|